If you are seeing this requirement in your project, you are in the right place:
Required number of solar inverter strings, microinverters, or optimizers
This requirement checks whether a sufficient number of inverter strings, microinverters, or optimizers are available for the installed PV modules. This requirement is satisfied if the maximum number of PV modules that can be connected to a solar string inverter equals the number of inverter strings times the maximum number of modules per string; the maximum number of PV modules that can be connected to solar microinverters equals the number of microinverters times the maximum number of modules per microinverter; and the maximum number of PV modules that can be connected to optimizers equals the number of optimizers.
Find your inverter type below to see which fields to fill in.
String inverters (no optimizers)
Fill in these two fields:
- Number of inverter strings – how many strings are connected to your inverter.
- Max. number of modules per string – the highest number of modules in any single string.
Make sure the total capacity across all strings adds up to the number of PV modules in your design.
Number of inverter strings × Max. number of modules per string = Total PV modules
Where to verify this
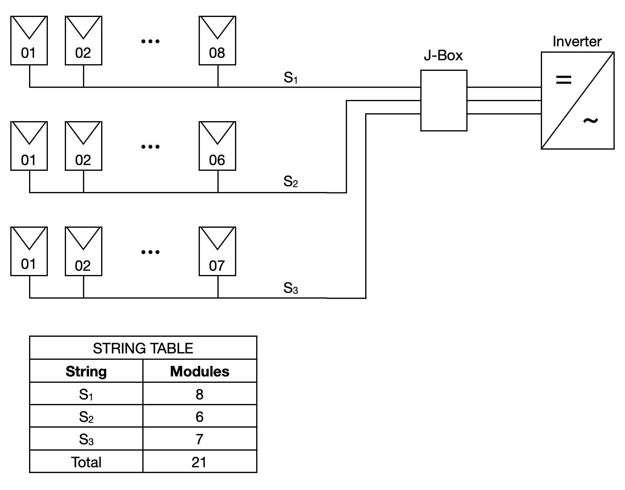
Check the line diagram in your planset. Each string is labeled with its module count. Count the strings for your string total, and use the highest module count across all strings as your max. number of modules per string.
If your planset includes a string table, that is the quickest place to look. It lists each string with its module count directly. For example, in the planset below, String 1 has 8 modules, String 2 has 6 modules, String 3 has 7 modules. This means that there are 3 active strings with a max of 8 modules per string.
Microinverters
Fill in these two fields:
- Number of microinverters – the total number of microinverter units across all branch circuits.
- Max. number of modules per microinverter – the highest number of modules each unit supports, from the manufacturer's spec sheet.
Make sure the total capacity across all units adds up to the number of PV modules in your design.
Number of microinverters × Max. number of modules per microinverter = Total PV modules
Where to verify this
In your planset, microinverters are typically listed by branch circuit. Add up the microinverter count across all branches to get your total.
For example, in the screenshot below, the planset shows 4 branch circuits with 10, 10, 7, and 7 microinverters, your total is 34 microinverters. Since each microinverter connects to one module, the max. number of modules per microinverter is 1.
If your planset includes a bill of materials (BOM), you can also confirm the total microinverter quantity there.
Optimizers
Fill in this field:
- Number of optimizers -- the total number of optimizer units across all strings.
Since each optimizer connects to exactly one module, make sure your optimizer count matches your total PV module count.
Number of optimizers = Total PV modules
Where to verify this
Check the line diagram in your planset. Each string is labeled with its optimizer count.
For example in the screenshot below, there are two inverter strings with String 1 containing 9 modules with 9 optimizers and String 2 containing 10 modules with 10 optimizers.
For the max. number of modules per optimizer, check the optimizer data sheet. This limit is typically listed under the DC input specifications.
If your planset includes a BOM, you can also confirm the total optimizer quantity there.